袋式精細過濾器具有高流通能力,高過濾精度,低成本,操作簡便、快速等特點。適用于任何微細顆粒(少于1000ppm)的過濾,精度范圍可從1至1000μm及1至1000m3/h的液體過濾。


示例:HLFB-4ⅡS表示內置4只濾袋,殼體不銹鋼材質的袋式精細過濾器。
袋式精細過濾器產品系列
1、單袋式精細過濾器HLFB-Ⅰ型
| 型號 | 流量 m3/h |
過濾 面積 m2 |
安裝尺寸mm | ||||
| H | L | h1 | h2 | h3 | |||
| HLFB -ⅠA |
18 | 0.24 | 965 -1110 |
300 | 380 | 120-265 | 465 |
| HLFB -ⅠB |
36 | 0.48 | 1230 -1725 |
300 | 710 | 0-495 | 695 |
①表中所列流量以水為介質,
②設備工作壓力≤1.0Mpa,
③進出口接管規格:DN50、PN1.6。

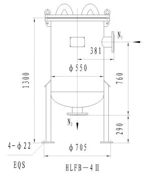
四袋式精細過濾器HLFB-4Ⅱ
主要技術參數:
工作壓力≤1.0MPa
工作溫度≤200℃
處理量:140m3/h(以水為介質)
進出口接管規格:DN100PN1.6

| 型號 | 流量 m3/h |
安裝尺寸mm | |||||||
| H | h1 | h2 | h3 | h4 | L1 | L2 | D | ||
| HLFB-5Ⅱ | 180 | 1800 | 780 | 580 | 200 | 300 | 340 | 520 | φ650 |
| HLFB-6Ⅱ | 216 | ||||||||
| HLFB-7Ⅱ | 252 | 2050 | 780 | 790 | 290 | 300 | 260 | 500 | φ800 |
| HLFB-8Ⅱ | 288 | ||||||||
②進出口N1、N2接管規格,HLFB—5、6Ⅱ為
DN100、PN1.6,HLFB—7、8ⅡE為DN150、PN1.6。
③超過8只濾袋我廠可非標設計,最大筒體直徑為DN2200。

3、并聯式袋式精細過濾器HLFB-Ⅲ型
| 型號 | 流量 m3/h |
安裝尺寸mm | |||
| H | h1 | h2 | h3 | ||
| HLFB -ⅢA |
36 | 1040 -1190 |
500 | 210 -360 |
695 |
| HLFB -ⅢB |
72 | 1175 -1540 |
850 | 0 -360 |
|
①表中所列流量以水為介質,工作壓力≤1.0Mpa
②進出口接管規格:DN65、PN1.6。

袋式精細過濾器典型的應用領域
石油化工:
1、航空煤油及潤滑油的過濾;
2、石油及燃料油添加劑的過濾;
3、油品回收;
4、石油及天然氣脫硫脫水溶劑的過濾;
5、PVC生產中液體及氣體過濾;
化學品:
1、催化劑回收;
2、酸、堿和溶劑的濾清;
3、碳墨及助濾劑的去除;
4、管道結垢的去除;
5、乳液和懸浮液的過濾;
精細化工:
1、催化劑回收;
2、去除表面活性劑結晶鹽份;
3、X—射線懸物的濾清;
4、洗滌劑的濾清;
5、化妝品原料及成品的過濾;
粘結劑:
1、從丙烯酸粒結劑中去除凝膠;
2、樹脂及結晶物的去除;
3、去除膠性涂料中凝結塊;
4、熱溶聚合物的過濾;
5、去除懸浮液中的PVA凝結塊;
水處理:
1、海水去除顆粒;
2、離子交換樹脂回收;
3、冷卻裝置中系統凈化;
4、管道結垢的清除;
5、礦泉水中去泥沙;
6、用于水處理的化學品過濾;
7、城市供水的濾清;
8、鈣結晶的去除;
9、油田注水和完井液的過濾;
涂料和油漆:
1、去除懸浮凝結塊;
2、去除油漆凝結塊;
3、去除油漆中的結塊;
4、溶劑的過濾;
5、貯罐污物的去除;
6、球磨機填塞物的去除;
食品及飲料:
1、啤酒中Polyclar的過濾;
2、葡萄酒、威士忌和啤酒的拋光過濾;
3、烹飪油中雜質顆粒的去除;
4、去除纖維素中的碳黑;
5、玉米糖漿的拋光過濾;
6、動植物提取液的濾清;
7、食用醋和醬油的拋光過濾;
8、聽罐涂層的涂料過濾;
9、洗瓶用堿洗的過濾;






